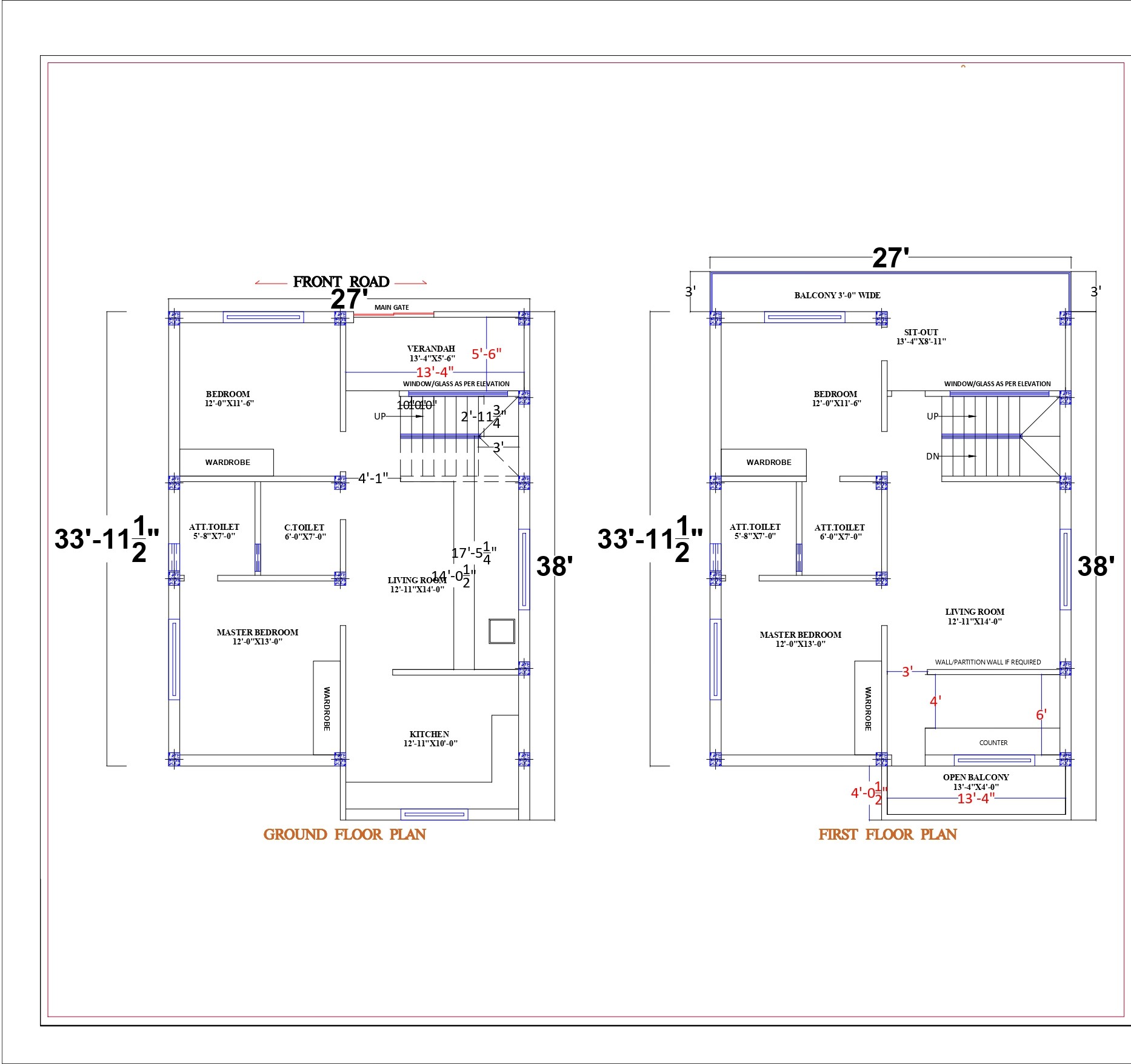
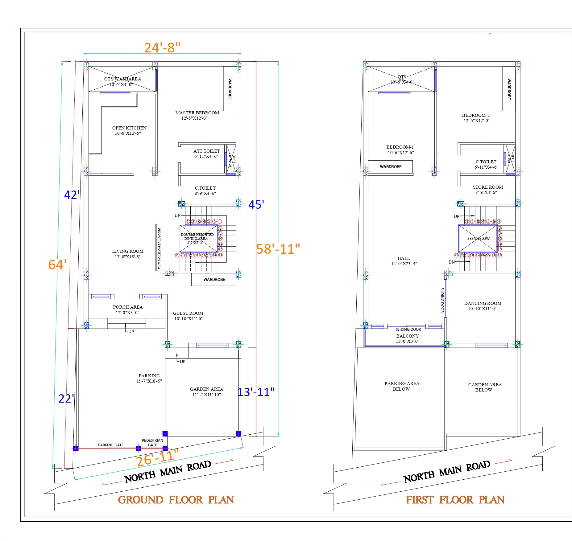
A structural drawing is the backbone of any construction project. It ensures that the building can withstand loads, resist external forces, and remain structurally stable for years. Our detailed engineering drawings guarantee the safety, durability, and efficiency of your construction.













Your Dream Space Starts Here Get Exclusive Design Straight Your Inbox!
Copyright © 2026 All Rights Reserved. Designed by roimakers.in